マニュアルリセット
CBXM-200
シリーズ |


|
- バイメタルを利用した熱動式のサーキットブレーカーなので直接電流を流すことにより、過電流が流れた時に回路を遮断させます。ボタンを押すことによって回路が繋がり再度電流を流せます。
大型で頑丈に出来ていますので、振動の多い所や環境変化の 厳しいところでの使用にも耐えます。
- 用 途
建設車両などの回路保護、電動車両の回路保護、モーターの保護、バッテリー充電器など。
|
■ 仕様
| 項 目 |
性 能 |
| 定 格 |
DC24V / 40A 50A 60A 80A 105A 135A |
| 使用温度範囲 |
-50℃~+80℃ |
| 遮断特性(at25℃) |
定格電流の100%を通電した時、遮断しないこと |
| 定格電流の200%を通電した時、60秒以内に遮断すること |
| 定格電流の200 %で2分以内に遮断すること。 |
| 復帰特性 |
遮断後2分以内に手動によって復帰可能なこと |
| 電圧降下 |
定格電流を通電した時に0.2V以下 |
| その他 |
部品はRoHS対応です。 |
| 製品の重さ |
30A~105A : 約130g
135A : 約140g |
■ 取付方法

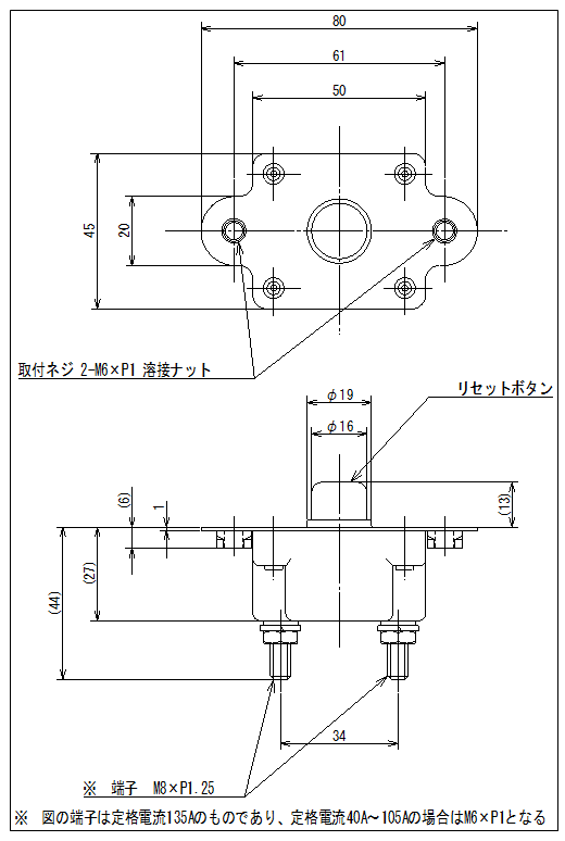
■ 図面
|