マニュアルリセット
CLM-500
    シリーズ
オートリセット
CLA-500
    シリーズ
  • CLM-300 の後継機種で仕様、取付ピッチなど互換性を保っています。
  • 大電流用に開発された、防水、防塵構造の手動復帰式サーキットブレーカーで、環境変化の激しい建設車両などに使用されています。
  • 用 途
    バッテリー充電器の逆接、過負荷保護。電動車両、電動工具等のモーターの保護などに最適てす。
  • CLA-300 の後継機種で仕様、取付ピッチなど互換性を保っています。
  • 大電流用に開発された、防水、防塵構造の自動復帰式サーキットブレーカーで、環境変化の激しい建設車両などに使用されています。
  • 用 途
    バッテリー充電器の逆接、過負荷保護。電動車両、電動工具等のモーターの保護などに最適てす。

■ 仕様

項  目 性      能
最高使用電圧 AC125V / DC36V
定格電流 表1参照
遮断特性(at25℃) 定格電流の100 %で遮断しないこと。
定格電流の130 %で1時間以内に遮断すること。
定格電流の200 %で2分以内に遮断すること。
復帰特性(at25℃) 遮断後2分以内に復帰可能なこと。( CLA-500は自動復帰すること)
最大許容遮断電流 AC125V - 500A / DC36V - 2000A
端子間電圧降下 定格電流を通電した場合、表1の値を超えないこと。
耐久性 定格電流の200% の電流(抵抗負荷)を通電した場合の遮断、復帰能力は2,000回以上。
耐震性 XYZ各方向に20~2,000Hz , 掃引周期1分で5Gの振動を1時間加えた後、各特性を満足すること。
耐電圧 端子と金属取付部間、AC1500V 1分間以上
絶縁抵抗 端子と金属取付部間、DC500Vメガーにて100MΩ以上
耐衝撃性 重力加速度100Gで垂直落下させた後、各特性を満足すること。

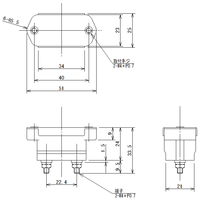
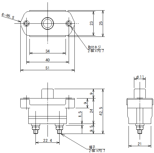
■ 寸法図


CLM-500

CLA-500


表    1
標  準
定格電流
電圧降下
m V
品    番
CLM-500 CLA-500
10A 200以下 CLM-10 CLA-10
20A 150
以下
CLM-20 CLA-20
30A CLM-30 CLA-30
40A CLM-40 CLA-40
50A 100
以下
CLM-50 CLA-50
60A CLM-60 CLA-60